欢迎来到威磊公司网站
ENGLISH
适配器
DIP
BGA
DFN
PLCC
PSOP
QFN
SOP
SSOP
QFP
TSOP
Emulator
您的位置->
首页
->
适配器->
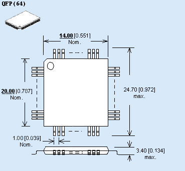
LQFP64
LQFP64
(1.0mm pitch 13x19)(IC51-0644-820-2)
电子邮件:
weilong@weilei.com.cn
售后服务:
support@weilei.com.cn
天津滨海高新技术产业开发区华苑产业园区(环外)海泰发展五道16号海泰创新基地B4-1-402
邮编:300384